●年末年始休業に伴う商品発送についてのお知らせ
平素より『建築金物総合通販ビドーパル』をご利用頂きまして誠にありがとうございます。 誠に勝手ながら12月26日(木)~1月5日(日)まで年末・年始休業とさせていただきます。 12月24日(火)以降のご注文分は1月6日(月)以降順次発送させて頂きます。 尚、休業中ご注文が一部の商品に集中した場合、商品のお届け予定日が大幅に遅れる場合がございます。 取り寄せ商品につきましては、メーカー休業の為、発送日等のお問合せにもお答え致しかる場合がございます。 ご迷惑をおかけしますが、ご了承くださいますようお願いいたします。
■
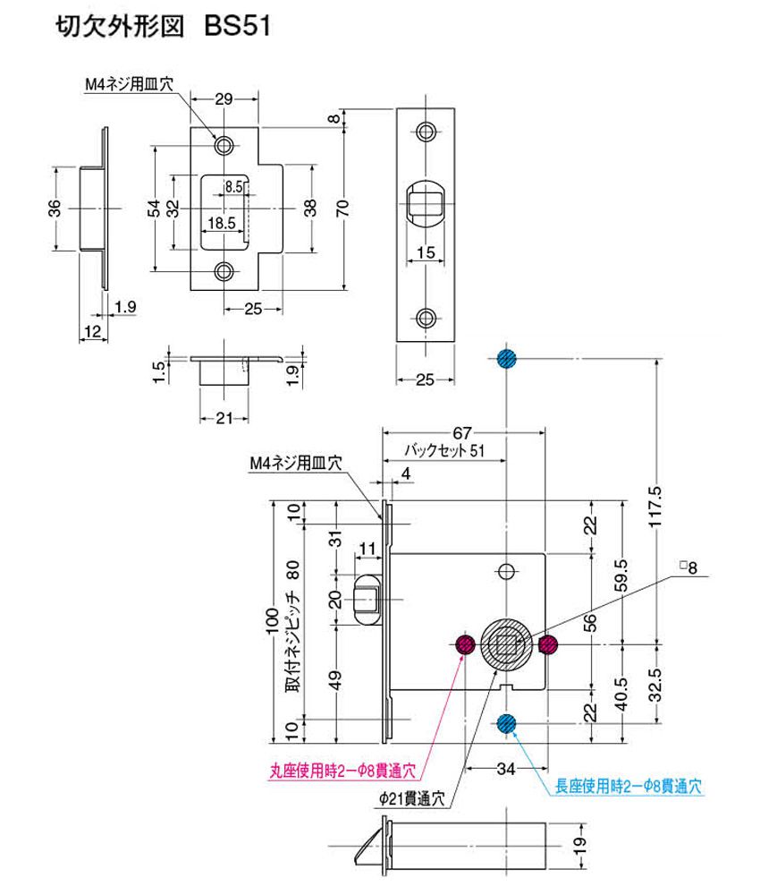
GF空錠LY バックセット51mm アンバー 取付扉厚 標準30-43mm
🔍サムネールをクリックすることで写真を拡大できます。※画像の引用について
ブランド名
出荷日目安
通常、手配開始より1-2営業日目(※メーカー様欠品時は除く)。
・商品検索キーワード
シロクマSLレバー,その他部品(座金など),,ブラウン系,ケース錠,,,,,,,,,,,,,,,
※商品オプション(サイズや仕様)などにより、全ての商品タグが当てはまらない場合があります。
| PALID | 商品区分 | 種類 | 販売単位 | ゲスト(税込) | ランク価格のルール ビドーパルでは会員にならなくてもお買い物ができますが、会員になっていただくと、さらにお得にお買い物ができます。 |
数量 必要な数量に応じて、カート内で最適な数量と価格が自動計算されます。数量の変更もカート内で可能です。 |
送料区分 | |
|---|---|---|---|---|---|---|---|---|
| 参考価格(税込) | ランク価格 | |||||||
| 18227 |
午前中にご注文が確定している場合に当日~3営業日で商品出荷可能な商品。詳細情報
|
取付扉厚 標準30-43mm | 1 個 | @ 6,270 円 | @ 3,204 円 | ログイン後に表示 | 個 | 標準A |
※「@」は、1商品あたりの価格を示しています
●
関連商品






シロクマのレバーハンドルセットの構成パーツであるGF空錠(ケース+受)の単体販売です。信頼のゴール製。
例えば、間違ってSLシリーズのレバーのみを買ってしまった、錠だけ欲しいといった場合にご利用いただけます。
【ご注意】
※レバーは付属していません。また、空錠(鍵なし)タイプとなります。
※このページで販売しているのは商品名にあるカラーとなります。商品画像は実際の商品のカラーとは異なりますのでお間違いにならないようご注意ください。